DOMŮ
Výkresy
Výroba
Galerie
Plyn
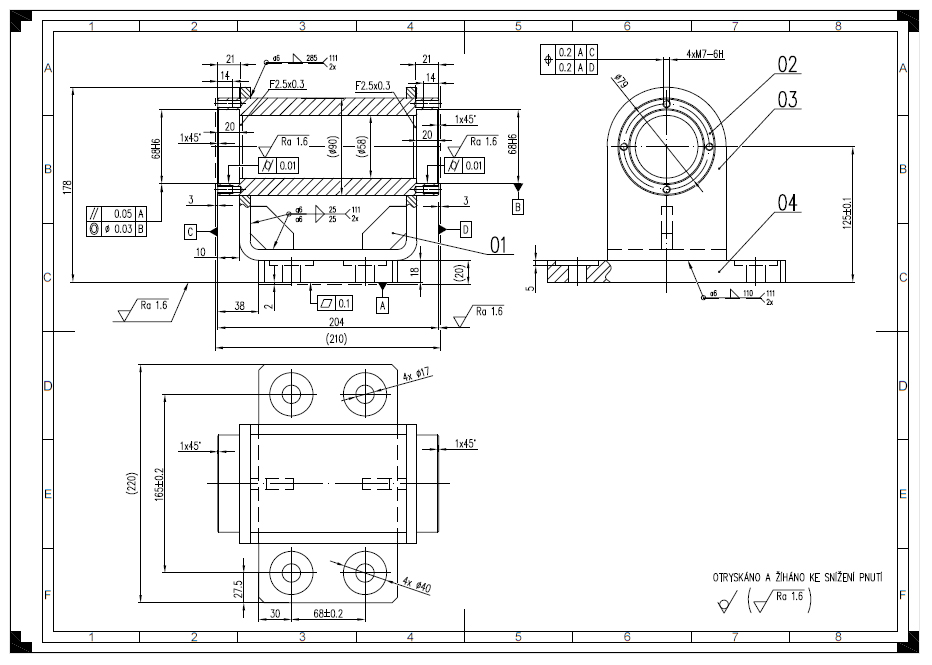
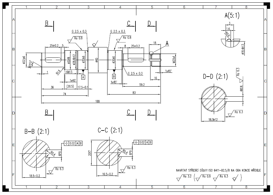
Výkresová dokumentace
Od návrhu po konečný výrobek
Žádná výroba se u nás neobejde bez vizualizace a potřebných výkresů
Pro podrobnější náhled klikněte na obrázek výkresu. Ten se zobrazí zvětšený a v novém okně.